• I contenuti presenti in questo Forum sono perlopiù frutto di opinioni ed esperienze personali, condivise tra automobilisti, e devono quindi essere prese come tali.

    Sei sempre e comunque invitato ad informarti ulteriormente, tramite altri canali, e di rivolgerti ad un professionista in caso di qualunque necessità!

Fiat punto 176 - Upgrade specchietti da meccanici a elettrici

A me servono solo i nips femmina dato che il cablaggio dello sportello ha i maschi, quello del montante i femmina
 
ok... vedo se trovo qualche avanzo dei connettori a ghiera
 
ciao di femmine purtroppo ho solo questi i maschi invece ho proprio il connettore intero


IMG_20210126_194004.jpg
 
se possono essere utili te li spedisco
 
Quelli che ho trovato io su internet non hanno i gancetti laterali quello è il problema, a me servono solo i maschi, poi ho un problema con la chiusura centralizzata che scatta e dopo aver aperto o chiuso 2-3 volte non funziona più fino a quando non stacco il relè
 
come i maschi.. poco sopra hai detto femmine... :Smuggrin: comunque i maschi li ho..poi ti dico come funziona la chiusura centralizzata, o hai qualche filo che tocca spellato.. oppure è una delle chiusure,potresti staccare prima una poi l'altra e verificare se il problema persiste, in ultima analisi potrebbe essere anche il rele'.. è quello giallo?
 
Sisi il relè è quello giallo, scusami mi son confuso, mi servono le femmine🤣, ho controllato di tutto, questo problema me lo da da quando ho cambiato la guarnizione dei cavi al lato guida, i relè gialli ne ho due e con entrambi fa così
Messaggio doppio unito:

Ho controllato tutti i fili e le loro posizioni nel presotto con gli schemi elettrici e tutto ma non riesco a risolvere questo problema, fatto tutte le prove possibili, le serrature non possono essere perché hanno sempre funzionato, sto uscendo pazzo
 
Ultima modifica:
si hanno sempre funzionato pero'dicevo gia' che stai facendo o dovrai fare il lavoro degli specchietti, se stacchi il connettore lato guida dalla serratura e provi.. poi lo rimonti e stacchi lato passeggero ti rendi conto se cambia qualcosa.. certo che se ti da' il problema da quando hai lavorato dal lato guida vedi un attimo prima quel lato, ho trovato un'altro connettore... le femmine sono quelle a destra, sono 5 e 6 quelli di ieri


IMG_20210127_193455.webp
 
Ho provato a staccare sia l’uno che l’altro, ma continuava a fare la stessa cosa, oggi mi è arrivato il connettore nuovo, provo a sostituirlo e vedere che cambia perché il mio è danneggiato e magari ci sono fili che toccano, ho controllato la continuità di tutti i fili e c’è quindi non sono interrotti, per il momento non sono proprio riuscito a venirne a capo, schemi elettrici alla mano facendo varie prove che per logica avrebbero dovuto darmi risultati diversi mi hanno dato sempre lo stesso risultato, e come ho detto in precedenza non sono i relè perché ne ho due e non è possibile che siano rotti entrambi
 
Calma, metodo, appunti. I tre strumenti fondamentale per andare a caccia di falsi contatti
 
ho fatto copia e incolla di cio' che avevo scritto quando ho messo le chiusre centralizzate alla lancia y ero curioso di capire come funzionavano... non tenere conto dei colori che potrebbero non corrispondere

G ( giallo) piedino numero 1M della centralina
H ( grigio) piedino numero 2M della centralina
A ( azzurro) piedino numero 2 della centralina
B ( bianco) piedino numero 3 della centralina

poi c'è un filo nero che è la massa quindi negativo, e un filo rosso che è l'alimentazione positiva della centralina

i piedini numero 1M e numero 2M sono quelli che vanno ai motorini delle chiusure ( quindi funzionano entrambi insieme e in tempo reale)
i piedini numero 2 e numero 3 è il COMANDO che arriva alla centralina dalla meccanica della serratura quando si apre o si chiude, quindi quando si apre arriva UN SOLO comando al piedino numero 2, quando invece si chiude arriva Un solo comando al piedino numero 3, in questo modo il motorino una volta apre e la volta dopo chiude
Il comando è un potenziale NEGATIVO, tieni presente che il tutto l'ho riprodotto pure a casa..
 
Esatto, e tramite lo schema elettrico sono riuscito a capire che quando si apre o chiude dal nottolino i fili celeste e bianco usano il nero come negativo mentre quando si usa la serratura con la chiave il giallo e il grigio fungono da negativi.
Giusto?
Messaggio doppio unito:

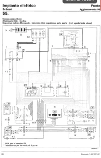
Questo è lo schema elettrico
 

Allegati

  • B7250A90-9E33-4CF4-9132-C1E7B17D4E7B.webp
    B7250A90-9E33-4CF4-9132-C1E7B17D4E7B.webp
    137,4 KB · Visite: 364
in realtà ... i comandi che vanno in centralina sono solo due, filo azzurro e filo bianco ( A B) che diventano negativi secondo come agisce la serratura. i fili giallo e grigio ( G H) invece è il ritorno e vanno al motorino, si alternano diventando + o - secondo su quale piedino 2 o 3 della centralina arriva il negativo che parte dalla serratura ( A B), il filo verde\bianco ( VB) fa invece accendere il led apertura porte sulla strumentazione quando appunto si apre lo sportello
 
Ah ecco quindi i 4 fili si alternano in base alla posizione della serratura ma il negativo nero cosa c’entra?
E poi comunque il filo verde bianco non comunica con il relè quindi quello l’ho escluso a priori
 
si i due fili di ritorno che vanno al motorino si alternano come potenziale, il nero N serve alla serratura per far accendere il led sulla strumentazione e per mandarlo sul rele' giallo ( la centralina) una volta sul morsetto 2 filo azzurro e una volta sul morsetto 3 filo bianco secondo se si sta aprendo o chiudendo, di conseguenza il relè scambia di potenziale i due fili di ritorno e il gioco è fatto.....
 
se non sono stati manipolati nello spinotto è difficile perchè sono messi abbastanza bene , capita però che si allenti il contatto tra i pin oppure possono troncarsi e toccarsi tra loro, prova a separare proprio lo spinotto,prima uno poi l'altro vedi che succede, in questo modo il lato sportello viene isolato per cui la centralina non riceve piu' i comandi
 
Già fatto, devo solo smontare ogni pin e inserirli direttamente nello spinotto e vedere che succede perché mi sembra alquanto assurda questa cosa perché staccando lo spinotto che dovrebbe essere incriminato comunque il problema si presenta
 
Indietro
Alto Basso